原材料內部缺陷/表面缺陷有不僅會影響鍛件的成形,而且會影響鍛件的最終質量。在鍛件報廢的諸多原因中,由于原材料缺陷引起的約占一半左右。因此,原材料的質量控制工作非常重要。

原材料缺陷引起的鍛件缺陷通常有:
1.表面裂紋。表面裂紋多發生在軋制棒材和鍛制棒材上,一般呈直線形狀,和軋制或鍛造的主變形方向一致。造成這種缺陷的原因很多,如鋼錠內的皮下氣泡在軋制時一面沿變形方向伸長,一面暴露到表面上或向內部深處發展。又如在軋制時,坯料的表面被劃傷,造成應力集中,沿劃痕開裂等等。這種裂紋若在鍛造前不去掉,鍛造時便可能擴展引起鍛件裂紋。
2.折疊。折疊形成的原因是金屬坯料在軋制過程中,軋輥上的型槽定徑不正確,或因型槽磨損面產生的毛刺在軋制時被卷滲入滲出,形成和材料表面成一定傾角的折縫。對鋼材,折縫內有氧化鐵夾雜,四周有脫碳。折疊若在鍛造前不去掉,可能引起鍛件折疊或開裂。
3.結疤。結疤是在軋材表面局部區域的一層可剝落的薄膜。結疤的形成是由于澆鑄時鋼液飛濺而凝結在鋼錠表面,軋制時被壓成薄膜,貼附在軋材的表面,即為結疤。鍛后鍛件經酸洗清理,薄膜將會剝落而成為鍛件表面缺陷。

4.層狀斷口。層狀斷口的特征是其斷口或斷面與折斷了的石板、樹皮很相似。層狀斷口多發生在合金鋼(鉻鎳鋼、鉻鎳鎢鋼等),碳鋼中也有發現。這種缺陷的產生是由于鋼中存在的非金屬夾雜物、枝晶偏析以及氣孔疏松等缺陷,在鍛、軋過程中沿軋制方向被拉長,使鋼材呈片層狀。如果雜質過多,鍛造就有分層破裂的危險。層狀斷口越嚴重,鋼的塑性、韌性越差,尤其是橫向力學性能很低,所以鋼材如具有明顯的層片狀缺陷是不合格的。
5.亮線(亮區)。亮線是在縱向斷口上呈現結晶發亮的有反射能力的細條線,多數貫穿整個斷口,大多數產生在軸心部分。亮線主要是由于合金偏析造成的。輕微的亮線對力學性能影響不大,嚴重的亮線將明顯降低材料的塑性和韌性。

6.夾渣。熔煉或澆鑄的鋼水由于成分之間或金屬與爐氣、容器之間的化學反應形成的,或者由于耐火材料落入鋼液中形成。在鍛件的橫斷面上,夾渣可以呈點狀、片狀、鏈狀或團塊狀分布。嚴重的夾渣容易引起鍛件開裂或降低材料的使用性能。

7.碳化物偏析。碳化物偏析經常在含碳高的合金鋼中出現,其特征是在局部區域有較多的碳化物聚集。形成原因是鋼中的萊氏體共晶碳化物和二次網狀碳化物,在開坯和軋制時未被打碎和均勻分布造成的。碳化物偏析將降低鋼的鍛造變形性能,易引起鍛件開裂。鍛件熱處理淬火時容易局部過熱、過燒和淬裂。制成的刀具使用時刃口易崩裂。

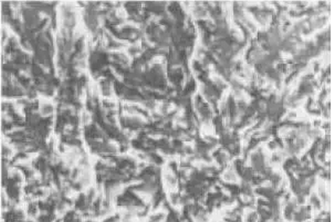
圖:層狀斷裂區高倍形貌,有大量的顆粒狀碳化物覆蓋,經能譜儀分析,該區域的鎢含量較高,達18.5%,為材料正常含量的3倍,說明斷裂主要沿碳化物偏析區發生。
8.鋁合金氧化膜。鋁合金氧化膜一般存在于模鍛件的腹板和分模面附近。在低倍組織上呈微細的裂口,在高倍組織上呈渦紋狀,在斷口上的特征可分兩類:其一,呈平整的片狀,顏色從銀灰色、淺黃色直至褐色、暗褐色;其二,呈細小密集而帶閃光的點狀物。鋁合金氧化膜是熔鑄過程中敞露的熔體液面與大氣中的水蒸氣或其它金屬氧化物相互作用時所形成的氧化膜在鑄造過程中被卷人液體金屬的內部形成的。 鍛件和模鍛件中的氧化膜對縱向力學性能無明顯影響,但對高度方向力學性能影響較大,它降低了高度方向強度性能,特別是高度方向的伸長率、沖擊韌度和高度方向抗腐蝕性能。
9.白點。白點的主要特征是在鋼坯的縱向斷口上呈圓形或橢圓形的銀白色斑點,在橫向斷口上呈細小的裂紋。白點的大小不一,長度由1~20mm或更長。白點在鎳鉻鋼、鎳鉻鉬鋼等合金鋼中常見,普通碳鋼中也有發現,是隱藏在內部的缺陷。白點是在氫和相變時的組織應力以及熱應力的共同作用下產生的,當鋼中含氫量較多和熱壓力加工后冷卻(或鍛后熱處理)太快時較易產生。用帶有白點的鋼鍛造出來的鍛件,在熱處理時(淬火)易發生龜裂,有時甚至成塊掉下。白點降低鋼的塑性和零件的強度,是應力集中點,它像尖銳的切刀一樣,在交變載荷的作用下,很容易變成疲勞裂紋而導致疲勞破壞。所以鍛造原材料中絕對不允許有白點。

10.粗晶環。粗晶環常常是鋁合金或鎂合金擠壓棒材上存在的缺陷。經熱處理后供應的鋁、鎂合金的擠壓棒材,在其圓斷面的外層常常有粗晶環。粗晶環的厚度,由擠壓時的始端到末端是逐漸增加的。若擠壓時的潤滑條件良好,則在熱處理后可以減小或避免粗晶環。反之,環的厚度會增加。粗晶環的產生原因與很多因素有關。但主要因素是由于擠壓過程中金屬與擠壓筒之間產生的摩擦。這種摩擦致使擠出來的棒材橫斷面的外表層晶粒要比棒材中心處晶粒的破碎程度大得多。但是由于筒壁的影響,此區溫度低,擠壓時未能完全再結晶,淬火加熱時未再結晶的晶粒再結晶并長大吞并已經再結晶的晶粒,于是在表層形成了粗晶環。有粗晶環的坯料鍛造時容易開裂,如粗晶環保留在鍛件表層,則將降低零件的性能。有粗晶環缺陷的坯料,在鍛造前必需將粗晶環車去。

11.縮管殘余。縮管殘余一般是由于鋼錠冒口部分產生的集中縮孔未切除干凈,開坯和軋制時殘留在鋼材內部而產生的??s管殘余四周區域一般會出現密集的夾雜物、疏松或偏析。在橫向低倍中呈不規則的皺折的縫隙。鍛造時或熱處理時易引起鍛件開裂。
Copyright ? 2015-2020 上海凌紐電子科技有限公司 滬ICP備15051997號-1 All rights reserved
滬公網安備 31010502004780號